Yamaha Xs750 Parts Diagram . shop genuine yamaha oem parts and replace worn components with the original equipment designed specifically for your. view and download yamaha xs750 manual online. Kit is missing the clip. yamaha spare parts for xs750 motorcycle. official yamaha parts list easy repairs with oem diagrams free acccess to parts fiches for yamaha xs750 1977 usa canada Swift delivery original yamaha xs750 parts Xs750 motorcycle pdf manual download.
from www.cmsnl.com
view and download yamaha xs750 manual online. shop genuine yamaha oem parts and replace worn components with the original equipment designed specifically for your. yamaha spare parts for xs750 motorcycle. Xs750 motorcycle pdf manual download. Swift delivery original yamaha xs750 parts official yamaha parts list easy repairs with oem diagrams free acccess to parts fiches for yamaha xs750 1977 usa canada Kit is missing the clip.
Yamaha XS750 1978 USA CANADA INTAKE buy original INTAKE spares online
Yamaha Xs750 Parts Diagram yamaha spare parts for xs750 motorcycle. official yamaha parts list easy repairs with oem diagrams free acccess to parts fiches for yamaha xs750 1977 usa canada yamaha spare parts for xs750 motorcycle. Xs750 motorcycle pdf manual download. view and download yamaha xs750 manual online. shop genuine yamaha oem parts and replace worn components with the original equipment designed specifically for your. Kit is missing the clip. Swift delivery original yamaha xs750 parts
From schematron.org
1979 Yamaha Xs750 Special Wiring Diagram Wiring Diagram Pictures Yamaha Xs750 Parts Diagram official yamaha parts list easy repairs with oem diagrams free acccess to parts fiches for yamaha xs750 1977 usa canada Kit is missing the clip. shop genuine yamaha oem parts and replace worn components with the original equipment designed specifically for your. Swift delivery original yamaha xs750 parts yamaha spare parts for xs750 motorcycle. view and. Yamaha Xs750 Parts Diagram.
From www.cmsnl.com
Yamaha XS750 1979 USA CANADA ELECTRICAL 2 buy original ELECTRICAL 2 Yamaha Xs750 Parts Diagram Swift delivery original yamaha xs750 parts shop genuine yamaha oem parts and replace worn components with the original equipment designed specifically for your. yamaha spare parts for xs750 motorcycle. official yamaha parts list easy repairs with oem diagrams free acccess to parts fiches for yamaha xs750 1977 usa canada Xs750 motorcycle pdf manual download. Kit is missing. Yamaha Xs750 Parts Diagram.
From schematron.org
Xs750 Wiring Diagram Yamaha Xs750 Parts Diagram official yamaha parts list easy repairs with oem diagrams free acccess to parts fiches for yamaha xs750 1977 usa canada Kit is missing the clip. shop genuine yamaha oem parts and replace worn components with the original equipment designed specifically for your. Xs750 motorcycle pdf manual download. yamaha spare parts for xs750 motorcycle. Swift delivery original yamaha. Yamaha Xs750 Parts Diagram.
From www.cmsnl.com
Yamaha XS750227501 1978 USA CRANKCASE buy original CRANKCASE spares Yamaha Xs750 Parts Diagram Kit is missing the clip. Xs750 motorcycle pdf manual download. yamaha spare parts for xs750 motorcycle. Swift delivery original yamaha xs750 parts official yamaha parts list easy repairs with oem diagrams free acccess to parts fiches for yamaha xs750 1977 usa canada view and download yamaha xs750 manual online. shop genuine yamaha oem parts and replace. Yamaha Xs750 Parts Diagram.
From www.cmsnl.com
Yamaha XS750 1977 USA CANADA CARBURETOR buy original CARBURETOR Yamaha Xs750 Parts Diagram official yamaha parts list easy repairs with oem diagrams free acccess to parts fiches for yamaha xs750 1977 usa canada yamaha spare parts for xs750 motorcycle. Xs750 motorcycle pdf manual download. Swift delivery original yamaha xs750 parts view and download yamaha xs750 manual online. Kit is missing the clip. shop genuine yamaha oem parts and replace. Yamaha Xs750 Parts Diagram.
From schematicdiagram43.blogspot.com
Xs750 Wiring Diagram Xs750 Wiring Diagram Yamaha XS750227501 1978 Yamaha Xs750 Parts Diagram shop genuine yamaha oem parts and replace worn components with the original equipment designed specifically for your. yamaha spare parts for xs750 motorcycle. view and download yamaha xs750 manual online. Swift delivery original yamaha xs750 parts official yamaha parts list easy repairs with oem diagrams free acccess to parts fiches for yamaha xs750 1977 usa canada. Yamaha Xs750 Parts Diagram.
From www.cmsnl.com
Yamaha XS7502 1977 USA CANADA CRANK PISTON buy original CRANK Yamaha Xs750 Parts Diagram shop genuine yamaha oem parts and replace worn components with the original equipment designed specifically for your. Kit is missing the clip. view and download yamaha xs750 manual online. official yamaha parts list easy repairs with oem diagrams free acccess to parts fiches for yamaha xs750 1977 usa canada Swift delivery original yamaha xs750 parts yamaha. Yamaha Xs750 Parts Diagram.
From schematicdiagram43.blogspot.com
Xs750 Wiring Diagram Xs750 Wiring Diagram Yamaha XS750227501 1978 Yamaha Xs750 Parts Diagram official yamaha parts list easy repairs with oem diagrams free acccess to parts fiches for yamaha xs750 1977 usa canada Swift delivery original yamaha xs750 parts view and download yamaha xs750 manual online. Kit is missing the clip. Xs750 motorcycle pdf manual download. shop genuine yamaha oem parts and replace worn components with the original equipment designed. Yamaha Xs750 Parts Diagram.
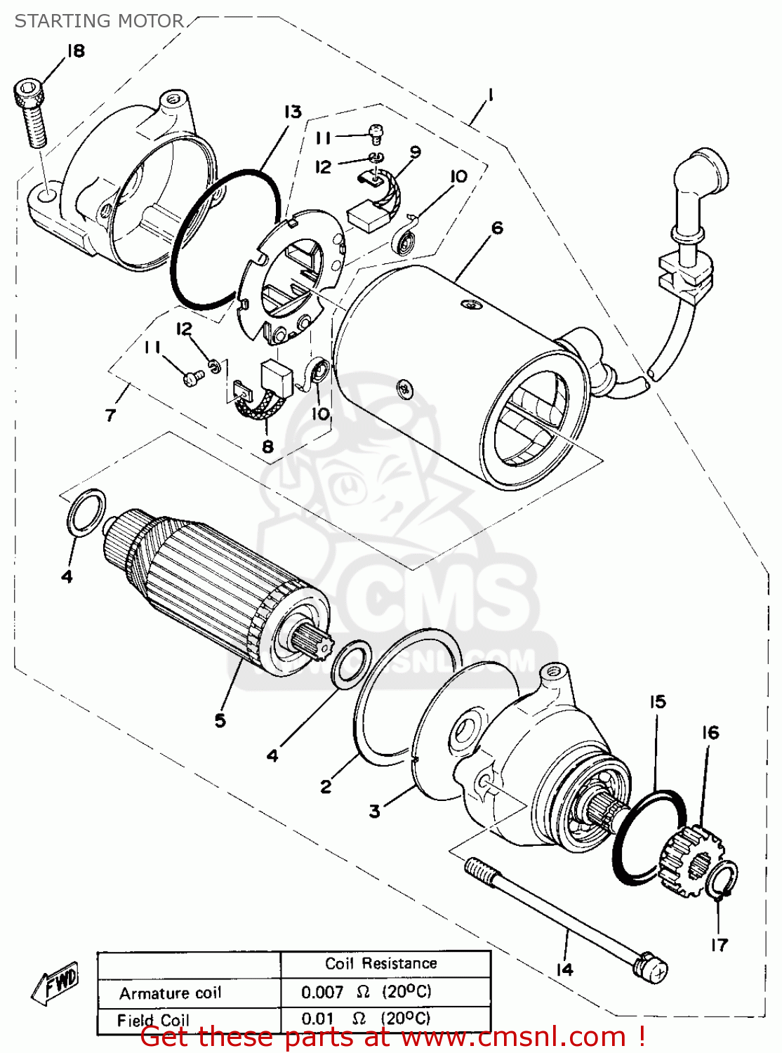
From www.cmsnl.com
Yamaha XS750 1978 USA CANADA STARTING MOTOR buy original STARTING Yamaha Xs750 Parts Diagram Xs750 motorcycle pdf manual download. Swift delivery original yamaha xs750 parts Kit is missing the clip. official yamaha parts list easy repairs with oem diagrams free acccess to parts fiches for yamaha xs750 1977 usa canada view and download yamaha xs750 manual online. shop genuine yamaha oem parts and replace worn components with the original equipment designed. Yamaha Xs750 Parts Diagram.
From www.cmsnl.com
Yamaha XS750227501 1978 USA FINAL DRIVE GEAR DRIVE SHAFT buy Yamaha Xs750 Parts Diagram shop genuine yamaha oem parts and replace worn components with the original equipment designed specifically for your. official yamaha parts list easy repairs with oem diagrams free acccess to parts fiches for yamaha xs750 1977 usa canada Kit is missing the clip. Swift delivery original yamaha xs750 parts view and download yamaha xs750 manual online. yamaha. Yamaha Xs750 Parts Diagram.
From www.cmsnl.com
Yamaha XS750 1978 USA CANADA ELECTRICAL 1 buy original ELECTRICAL 1 Yamaha Xs750 Parts Diagram shop genuine yamaha oem parts and replace worn components with the original equipment designed specifically for your. Xs750 motorcycle pdf manual download. Swift delivery original yamaha xs750 parts official yamaha parts list easy repairs with oem diagrams free acccess to parts fiches for yamaha xs750 1977 usa canada yamaha spare parts for xs750 motorcycle. Kit is missing. Yamaha Xs750 Parts Diagram.
From www.cmsnl.com
Yamaha XS750227501 1978 USA MIDDLE DRIVE GEAR buy original MIDDLE Yamaha Xs750 Parts Diagram official yamaha parts list easy repairs with oem diagrams free acccess to parts fiches for yamaha xs750 1977 usa canada Kit is missing the clip. shop genuine yamaha oem parts and replace worn components with the original equipment designed specifically for your. Swift delivery original yamaha xs750 parts view and download yamaha xs750 manual online. yamaha. Yamaha Xs750 Parts Diagram.
From www.cmsnl.com
Yamaha XS750 1978 USA CANADA INTAKE buy original INTAKE spares online Yamaha Xs750 Parts Diagram shop genuine yamaha oem parts and replace worn components with the original equipment designed specifically for your. view and download yamaha xs750 manual online. Kit is missing the clip. Xs750 motorcycle pdf manual download. yamaha spare parts for xs750 motorcycle. official yamaha parts list easy repairs with oem diagrams free acccess to parts fiches for yamaha. Yamaha Xs750 Parts Diagram.
From schematicdiagram43.blogspot.com
Xs750 Wiring Diagram Xs750 Wiring Diagram Yamaha XS750227501 1978 Yamaha Xs750 Parts Diagram yamaha spare parts for xs750 motorcycle. official yamaha parts list easy repairs with oem diagrams free acccess to parts fiches for yamaha xs750 1977 usa canada Xs750 motorcycle pdf manual download. view and download yamaha xs750 manual online. Swift delivery original yamaha xs750 parts shop genuine yamaha oem parts and replace worn components with the original. Yamaha Xs750 Parts Diagram.
From www.cmsnl.com
Yamaha XS750 1978 USA CANADA VALVE buy original VALVE spares online Yamaha Xs750 Parts Diagram shop genuine yamaha oem parts and replace worn components with the original equipment designed specifically for your. Swift delivery original yamaha xs750 parts yamaha spare parts for xs750 motorcycle. Xs750 motorcycle pdf manual download. Kit is missing the clip. official yamaha parts list easy repairs with oem diagrams free acccess to parts fiches for yamaha xs750 1977. Yamaha Xs750 Parts Diagram.
From schematicdiagram43.blogspot.com
Xs750 Wiring Diagram Xs750 Wiring Diagram Yamaha XS750227501 1978 Yamaha Xs750 Parts Diagram Kit is missing the clip. yamaha spare parts for xs750 motorcycle. Xs750 motorcycle pdf manual download. Swift delivery original yamaha xs750 parts official yamaha parts list easy repairs with oem diagrams free acccess to parts fiches for yamaha xs750 1977 usa canada view and download yamaha xs750 manual online. shop genuine yamaha oem parts and replace. Yamaha Xs750 Parts Diagram.
From www.cmsnl.com
Yamaha XS750 1979 3G9 EUROPE 293G9300E1 ELECTRICAL 2 buy original Yamaha Xs750 Parts Diagram official yamaha parts list easy repairs with oem diagrams free acccess to parts fiches for yamaha xs750 1977 usa canada Xs750 motorcycle pdf manual download. yamaha spare parts for xs750 motorcycle. shop genuine yamaha oem parts and replace worn components with the original equipment designed specifically for your. Swift delivery original yamaha xs750 parts Kit is missing. Yamaha Xs750 Parts Diagram.
From www.cmsnl.com
Yamaha XS750 1978 USA CANADA EXHAUST buy original EXHAUST spares online Yamaha Xs750 Parts Diagram Xs750 motorcycle pdf manual download. Swift delivery original yamaha xs750 parts yamaha spare parts for xs750 motorcycle. Kit is missing the clip. view and download yamaha xs750 manual online. official yamaha parts list easy repairs with oem diagrams free acccess to parts fiches for yamaha xs750 1977 usa canada shop genuine yamaha oem parts and replace. Yamaha Xs750 Parts Diagram.